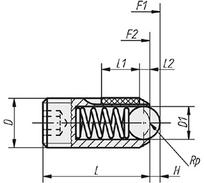
Poussoir avec frein
sur filetage "Long-Lok" , bille et six pans
Version acier : pièce en acier bruni de classe de résistance 5.8. Blocage de filet en nylon “Long-Lok”. Bille en acier trempé poli. Version inox : pièce en acier inoxydable, corps en inox 1.4305 (AISI 303), bille en inox 1.4034 poli, ressort en inox 1.4310. L2 = 2 pas de vis.











