Déclinaisons disponibles
Bouton GTX
en acier inox
Bouton en acier inox AISI 304. Exécution polie puis finement sablée pour un très bel aspect.
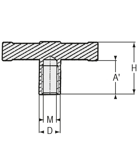
| REF | DÉSIGNATION | L | M | B | D | F | H | A' | Poids (g) | 3D | Devis |
|---|---|---|---|---|---|---|---|---|---|---|---|
| 124100i | BOUTON GTX INOX INTEGRAL L.70 M5 HC | 70 | M5 | 12 | 15 | 25 | 39 | 20,5 | 100 | ||
| 124101i | BOUTON GTX INOX INTEGRAL L.70 M6 HC | 70 | M6 | 12 | 15 | 25 | 39 | 20,5 | 98 | ||
| 124102i | BOUTON GTX INOX INTEGRAL L.70 M8 HC | 70 | M8 | 12 | 15 | 25 | 39 | 20,5 | 96 |











