Déclinaisons disponibles
Bouton d'indexage
pour "très grande série"
135° Celsius
-40° Celsius
-40° Celsius
01 / Sans cran
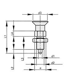
| REF | DÉSIGNATION | d2 | d1 | d3 | e | L1 | L2 | L3 | L4 | SW | Poids (g) | 3D | Devis |
|---|---|---|---|---|---|---|---|---|---|---|---|---|---|
| 6310 | BOUTON D'INDEXAGE ACIER D.21 M10*1 ECROU | M10x1 | 5 | 21 | 13,8 | 44 | 5 | 17 | 5 | 12 | 23 | ||
| 6311 | BOUTON D'INDEXAGE ACIER D.25 M12*1,5 ECROU | M12x1,5 | 6 | 25 | 16,2 | 53 | 6 | 20 | 6 | 14 | 38 | ||
| 6312 | BOUTON D'INDEXAGE ACIER D.31 M16*1,5 ECROU | M16x1,5 | 8 | 31 | 21,9 | 67 | 8 | 26 | 8 | 19 | 88 |
02 / Avec cran
| REF | DÉSIGNATION | d2 | d1 | d3 | e | L1 | L2 | L3 | L4 | SW | Poids (g) | 3D | Devis |
|---|---|---|---|---|---|---|---|---|---|---|---|---|---|
| 6304 | BOUTON D'INDEXAGE ACIER D.21 M10*1 ECROU/CRAN | M10x1 | 5 | 21 | 13,8 | 49 | 5 | 17 | 5 | 12 | 26 | ||
| 6305 | BOUTON D'INDEXAGE ACIER D.25 M12*1,5 ECROU/CRAN | M12x1,5 | 6 | 25 | 16,2 | 59 | 6 | 20 | 6 | 14 | 40 | ||
| 6306 | BOUTON D'INDEXAGE ACIER D.31 M16*1,5 ECROU/CRAN | M16x1,5 | 8 | 31 | 21,9 | 73,5 | 7 | 26 | 8 | 19 | 90 |
















