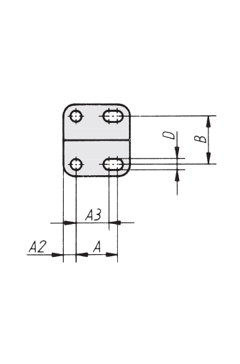
Sauterelle verticale
à bras plein
Sauterelle en acier galvanisé. Rivets en acier inoxydable. Axes avec coussinets trempés. Poignée en matière plastique résistante aux huiles. Sauterelle livrée avec vis à tête hexagonale, écrous et porte-broche.











